ЭВТЕКТИКА - Сварочное оборудование, комплектующие и расходные материалы

(383) 363-11-35, 363-11-37
electrod@specsvarka.com

КАТАЛОГ

FRONIUS (Австрия) Индустрия 4.0: Цифровое сварочное производство

Готовые решения для ручной сварки FRONIUS (Австрия) - 7

Решения по автоматизации сварки FRONIUS (Австрия) - 22

MIG-MAG FRONIUS (Австрия) - 2

TIG FRONIUS (Австрия) - 2

ММА FRONIUS (Австрия) - 2

ТЕНА Видео

Расходные материалы

Сварочные материалы «KISWEL» LTD

Сварочные электроды Capilla (Германия) - 2

Электроды вольфрамовые - 8

Проволоки и прутки для сварки Dratec GmbH. (Германия) - 1

Зачистные щетки Lessmann GmbH - 6

Сварочные электроды KOBE STEEL - 3

ALLOY (Россия) Сварочное оборудование

MIG-MAG полуавтоматы - 6

TIG-WIG аргонодуговая сварка - 7

SAW - 5

Механизмы подачи проволоки - 5

ТЕНА KOLARC Сварочное оборудование - 1

MIG-MAG полуавтоматы - 11

Аргонодуговая сварка (TIG) - 8

Ручная дуговая сварка (MMA) - 6

Автоматизированная сварка под флюсом (SAW) - 5

ТЕНА (Россия) Сварочное оборудование - 2

OPTREL (Сварочные маски) - 9

ABICOR BINZEL - 6

Сварочные инструменты и запчасти

MIG-MAG горелки

TIG-WIG горелки

Роботизированные системы - 7

MMA аксессуары - 10

MIG-MAG аксессуары

Наконечники медные, токоподводящие - 4

Сопла МИГ-МАГ - 6

Диффузоры МИГ-МАГ - 7

Держатель наконечника МИГ-МАГ - 7

Направляющие каналы (боудены) МИГ-МАГ - 9

Ролики и прочее для МИГ-МАГ - 12

Механизмы подачи проволоки - 23

TIG аксессуары

Шаблоны сварщика - 6

Плазменная резка

Плазмотроны для ручной резки - 2

Плазмотроны для автоматической резки - 6

Электрод (катод) к плазмотронам - 14

Сопло (анод) к плазмотрону - 16

Изоляторы, насадки, диффузоры к плазмотронам - 6

Редукторы, подогреватели, клапаны - 5

Химические жидкости (пасты, гели) для сварки - 11

Паяльное оборудование, газовые баллоны - 4

TRITON (Россия) Сварочное оборудование

Плазменная резка CUT для ЧПУ - 7

ALUMIG - профессиональные полуавтоматы с двойным пульсом - 3

ALUTIG - аргонодуговая сварка с пульсом - 3

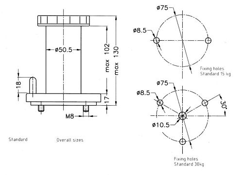
ГЛАВНАЯ   /   КАТАЛОГ   /   Сварочные инструменты и запчасти   /   MIG-MAG аксессуары   /   Ролики и прочее для МИГ-МАГ

Устройства крепления катушек Standard

тормозное устройство: 5кг
Стоимость: 800 рублей

тормозное устройство: 15кг
Стоимость: 860 рублей

Устройства крепления катушек Standard
  • Черный пластиковый корпус
  • Колпачки различных цветов (Опция)
  • Встроенный тормоз
  • Предел нагрузки: 5кг/15 кг




Standard RHA

ООО "ЭВТЕКТИКА" - г.Новосибирск

тел. 363-11-35, 363-11-37   email: electrod@specsvarka.com

Design by NooLab